友善提示
支持JAVA、Python、大数据专业、小程序、PHP、APP、ASP.NET、Node.js、Vue、数据分析、可视化、推荐系统等各类系统定做,您出题目,我们按需求定做。或者我们出相关的选题,并定做系统都支持…
博主简介
作者简介:Java领域优质创作者、CSDN博客专家 、CSDN内容合伙人、掘金特邀作者、阿里云博客专家、51CTO特邀作者、多年架构师设计经验、多年校企合作经验,被多个学校常年聘为校外企业导师,指导学生毕业设计并参与学生毕业答辩指导,有较为丰富的相关经验。期待与各位高校教师、企业讲师以及同行交流合作 主要内容:Java项目、Python项目、前端项目、PHP、ASP.NET、人工智能与大数据、单片机开发、物联网设计与开发设计、简历模板、学习资料、面试题库、技术互助、就业指导等 业务范围:免费功能设计、开题报告、任务书、中期检查PPT、系统功能实现、代码编写、论文编写和辅导、论文降重、长期答辩答疑辅导、腾讯会议一对一专业讲解辅导答辩、模拟答辩演练、和理解代码逻辑思路等。 收藏点赞不迷路 关注作者有好处 文末获取源码
系统演示录像
文章底部名片,联系我获取更详细的演示视频
系统实际运行效果图
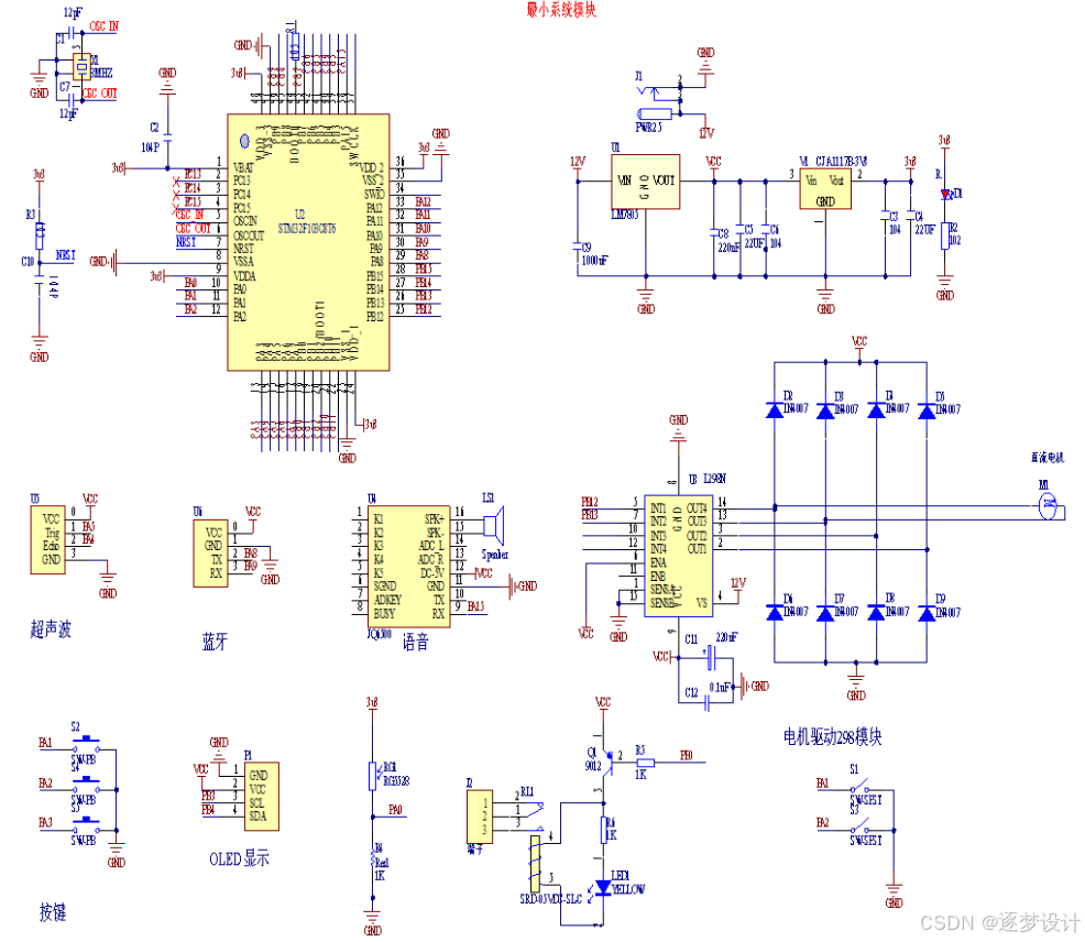
项目介绍 本研究旨在设计并实现一款基于STM32单片机的多功能车位锁系统,该系统利用STM32单片机的高性能和低功耗特性,集成了距离检测、光照控制、蓝牙通信等多种智能技术,实现了对停车位的智能管理和自动控制。通过超声波模块实时监测车辆与车位锁之间的距离,借助光敏传感器调节停车区域的照明亮度,以蓝牙模块实现远程控制开锁,系统旨在提高停车效率、保障停车安全,并优化用户体验。
功能介绍 设计一个基于STM32的多功能车位锁。该设计能够帮助用户更方便地实现车位的监控和管理,用户可以通过这个系统精准地管理停车位,有效防止非法占用或损坏车位,为用户提供更加便捷的停车服务。该设计由主控制器、光敏电阻模块、超声波检测模块、蓝牙模块、语音播报模块等组成。 1)实现车位锁和车辆的蓝牙通信,在车辆距离车库一定距离后,打开车位锁,语音播报:可以安全停车,车辆离开后,车库进行自动上锁; 2)采用光敏电阻对光线强度进行检测,当光线太弱时自动补光; 3)采用超声波传感器检测车位有车时车锁不动作; 4)实现车位锁的开和关;

可行性分析
可行性分析是每开发一个项目必不可少的一部分,可行性分析可以直接影响一个系统的存活问题,针对开发意义进行分析,还有就是是否可以通过所开发的系统来弥补传统手工统计模式的不足,是否能够更好的解决阿博图书馆管理系统存在的问题等,通过对该阿博图书馆管理系统的开发设计,不仅能够逐步减少工作人员的工作量,而且还可以进行高效工作和管理。所以该系统的开发实现了最大的意义和价值,在系统完成后,利益是否大过于成本,是否能够达到预期效果,这些方面都要进行可行性分析,再通过分析之后,就可以决定是否开发此系统。该阿博图书馆管理系统的开发设计中,以下几点进行了可行性分析:技术可行性:通过Java技术的采用,由于该技术不断成熟,所以使用该技术设计阿博图书馆管理系统是具有可行性的。经济可行性:在开发过程中,系统完成后的利益是否大过于开发成本。操作可行性:阿博图书馆管理系统的开发设计中,方便用户的可操作性和实用性。
系统测试
系统测试是软件开发生命周期中的一个关键阶段,旨在验证整个软件系统在集成后是否满足最初的设计要求和预期功能。它是软件测试中最全面的一种测试类型,涵盖了系统的各个方面,包括功能、性能、安全性、可靠性等。
系统测试的目的
系统测试的目的是在软件开发生命周期的后期阶段,对整个系统进行全面的评估,以确保它符合预期的需求和质量标准。具体来说,系统测试的目的包括以下几个方面:1. 验证功能完整性,系统测试的主要目标是验证系统的所有功能是否按预期工作。这包括检查每个功能模块、各模块之间的交互、输入输出的处理、以及用户界面的响应,以确保系统在功能上符合需求规格说明书的要求。2. 发现缺陷,系统测试通过模拟各种使用场景和操作,发现系统中的潜在缺陷和错误。这些缺陷可能包括功能性问题、性能问题、兼容性问题、或者安全漏洞。通过系统测试,能够在软件发布前发现和修复这些问题,避免在生产环境中出现重大故障。3. 确保系统集成,系统测试验证各个模块和子系统在集成后的整体表现。即使各个模块在单元测试和集成测试中表现正常,系统测试仍然需要确保这些模块在整个系统环境中的协同工作没有问题。
系统功能测试
系统功能测试是系统测试的一部分,主要关注验证软件系统的功能是否符合需求规格说明书中的描述。其目的是确保系统的每个功能模块、组件和子系统都能够按照预期执行,并且各个功能模块之间的交互正确无误。
| 用户名:guanliyuan 密码:123456 验证码:正确输入 | 登入系统 | 成功登入系统 | 和估算结果一样 |
| 用户名:guanliyuan 密码:111111 验证码:正确输入 | 密码错误 | 密码错误,请重新输入密码 | 和估算结果一样 |
| 用户名:guanliyuan 密码:123456 验证码:错误输入 | 验证码错误 | 验证码信息错误 | 和估算结果一样 |
| 用户名:空 密码:123456 验证码:正确输入 | 用户名必填 | 请输入用户名 | 和估算结果一样 |
| 用户名:guanliyuan 密码:空 验证码:正确输入 | 密码错误 | 密码错误,请重新输入密码 | 和估算结果一样 |
用户管理功能测试方案:用户管理主要有添加、编辑、删除、查找用户功能。添加用户时,必填项不填,检验系统是否有非空检验;添加已有的用户信息,检验是否提示用户名已被使用;删除用户信息,系统将检验是否进行此操作;更改用户信息,更改用户信息后页面是否可以展示出来。用户管理测试用例如下表所示。
| 填入用户基本信息 | 添加成功,在用户列表中显示 | 该用户出现在在列表中 | 和估算结果一样 |
| 修改用户信息 | 编辑成功,修改信息成功被修改 | 用户信息被修改 | 和估算结果一样 |
| 选中删除用户 | 系统询问是否删除用户,确认后用户被删除 | 系统询问是否删除用户,确认后查找不到用户信息 | 和估算结果一样 |
| 添加用户时不填用户名 | 提示用户名不能为空 | 提示用户名不能为空 | 和估算结果一样 |
| 填入已有用户名 | 添加失败,提示用户名重复 | 添加失败,提示用户名重复 | 和估算结果一样 |
数据库表设计(供参考)
1. 用户表(t_user)
- 描述: 存储用户的基本信息
- 字段:
字段名数据类型主键是否为空描述 user_id BIGINT 是 否 用户ID(唯一标识) username VARCHAR(50) 否 否 用户名 password VARCHAR(255) 否 否 密码 email VARCHAR(100) 否 否 邮箱 phone VARCHAR(20) 否 是 电话号码 status TINYINT 否 否 状态(0-禁用,1-启用) create_time DATETIME 否 否 创建时间 update_time DATETIME 否 否 更新时间
2. 角色表(t_role)
- 描述: 存储角色信息
- 字段:
字段名数据类型主键是否为空描述 role_id BIGINT 是 否 角色ID(唯一标识) role_name VARCHAR(50) 否 否 角色名称 description VARCHAR(255) 否 是 角色描述 create_time DATETIME 否 否 创建时间 update_time DATETIME 否 否 更新时间
核心代码展示
/**
* 商家
* 后端接口
* @author
* @email
*/
@RestController
@Controller
@RequestMapping("/shangjia")
public class ShangjiaController {
private static final Logger logger = LoggerFactory.getLogger(ShangjiaController.class);
@Autowired
private ShangjiaService shangjiaService;
@Autowired
private TokenService tokenService;
@Autowired
private DictionaryService dictionaryService;
//级联表service
@Autowired
private YonghuService yonghuService;
/**
* 后端修改
*/
@RequestMapping("/update")
public R update(@RequestBody ShangjiaEntity shangjia, HttpServletRequest request){
logger.debug("update方法:,,Controller:{},,shangjia:{}",this.getClass().getName(),shangjia.toString());
String role = String.valueOf(request.getSession().getAttribute("role"));
// if(false)
// return R.error(511,"永远不会进入");
//根据字段查询是否有相同数据
Wrapper<ShangjiaEntity> queryWrapper = new EntityWrapper<ShangjiaEntity>()
.notIn("id",shangjia.getId())
.andNew()
.eq("username", shangjia.getUsername())
.or()
.eq("shangjia_phone", shangjia.getShangjiaPhone())
.andNew()
.eq("shangjia_delete", 1)
;
logger.info("sql语句:"+queryWrapper.getSqlSegment());
ShangjiaEntity shangjiaEntity = shangjiaService.selectOne(queryWrapper);
if("".equals(shangjia.getShangjiaPhoto()) || "null".equals(shangjia.getShangjiaPhoto())){
shangjia.setShangjiaPhoto(null);
}
if(shangjiaEntity==null){
shangjiaService.updateById(shangjia);//根据id更新
return R.ok();
}else {
return R.error(511,"账户或者联系方式已经被使用");
}
}
/**
* 审核
*/
@RequestMapping("/shenhe")
public R shenhe(@RequestBody ShangjiaEntity shangjia, HttpServletRequest request){
logger.debug("shenhe方法:,,Controller:{},,shangjia:{}",this.getClass().getName(),shangjia.toString());
// if(shangjia.getShangjiaYesnoTypes() == 2){//通过
// shangjia.setShangjiaTypes();
// }else if(shangjia.getShangjiaYesnoTypes() == 3){//拒绝
// shangjia.setShangjiaTypes();
// }
shangjia.setShangjiaShenheTime(new Date());//审核时间
shangjiaService.updateById(shangjia);//审核
return R.ok();
}
/**
* 删除
*/
@RequestMapping("/delete")
public R delete(@RequestBody Integer[] ids){
logger.debug("delete:,,Controller:{},,ids:{}",this.getClass().getName(),ids.toString());
ArrayList<ShangjiaEntity> list = new ArrayList<>();
for(Integer id:ids){
ShangjiaEntity shangjiaEntity = new ShangjiaEntity();
shangjiaEntity.setId(id);
shangjiaEntity.setShangjiaDelete(2);
list.add(shangjiaEntity);
}
if(list != null && list.size() >0){
shangjiaService.updateBatchById(list);
}
return R.ok();
}
/**
* 登录
*/
@IgnoreAuth
@RequestMapping(value = "/login")
public R login(String username, String password, String captcha, HttpServletRequest request) {
ShangjiaEntity shangjia = shangjiaService.selectOne(new EntityWrapper<ShangjiaEntity>().eq("username", username));
if(shangjia==null || !shangjia.getPassword().equals(password))
return R.error("账号或密码不正确");
else if(shangjia.getShangjiaDelete() != 1)
return R.error("账户已被删除");
else if(shangjia.getShangjiaYesnoTypes() == 1)
return R.error("请等待审核结果");
else if(shangjia.getShangjiaYesnoTypes() == 3)
return R.error("账户审核已被拒绝,有疑问请联系服务人员");
// // 获取监听器中的字典表
String token = tokenService.generateToken(shangjia.getId(),username, "shangjia", "商家");
R r = R.ok();
r.put("token", token);
r.put("role","商家");
r.put("username",shangjia.getShangjiaName());
r.put("tableName","shangjia");
r.put("userId",shangjia.getId());
return r;
}
/**
* 注册
*/
@IgnoreAuth
@PostMapping(value = "/register")
public R register(@RequestBody ShangjiaEntity shangjia){
// ValidatorUtils.validateEntity(user);
Wrapper<ShangjiaEntity> queryWrapper = new EntityWrapper<ShangjiaEntity>()
.eq("username", shangjia.getUsername())
.or()
.eq("shangjia_phone", shangjia.getShangjiaPhone())
.andNew()
.eq("shangjia_delete", 1)
;
ShangjiaEntity shangjiaEntity = shangjiaService.selectOne(queryWrapper);
if(shangjiaEntity != null)
return R.error("账户或者联系方式已经被使用");
shangjia.setShangjiaXingjiTypes(1);
shangjia.setNewMoney(0.0);
shangjia.setShangjiaYesnoTypes(1);
shangjia.setShangjiaDelete(1);
shangjia.setCreateTime(new Date());
shangjiaService.insert(shangjia);
return R.ok();
}
/**
* 重置密码
*/
@GetMapping(value = "/resetPassword")
public R resetPassword(Integer id){
ShangjiaEntity shangjia = new ShangjiaEntity();
shangjia.setPassword("123456");
shangjia.setId(id);
shangjiaService.updateById(shangjia);
return R.ok();
}
/**
* 忘记密码
*/
@IgnoreAuth
@RequestMapping(value = "/resetPass")
public R resetPass(String username, HttpServletRequest request) {
ShangjiaEntity shangjia = shangjiaService.selectOne(new EntityWrapper<ShangjiaEntity>().eq("username", username));
if(shangjia!=null){
shangjia.setPassword("123456");
boolean b = shangjiaService.updateById(shangjia);
if(!b){
return R.error();
}
}else{
return R.error("账号不存在");
}
return R.ok();
}
/**
* 获取用户的session用户信息
*/
@RequestMapping("/session")
public R getCurrShangjia(HttpServletRequest request){
Integer id = (Integer)request.getSession().getAttribute("userId");
ShangjiaEntity shangjia = shangjiaService.selectById(id);
if(shangjia !=null){
//entity转view
ShangjiaView view = new ShangjiaView();
BeanUtils.copyProperties( shangjia , view );//把实体数据重构到view中
//修改对应字典表字段
dictionaryService.dictionaryConvert(view, request);
return R.ok().put("data", view);
}else {
return R.error(511,"查不到数据");
}
}
/**
* 退出
*/
@GetMapping(value = "logout")
public R logout(HttpServletRequest request) {
request.getSession().invalidate();
return R.ok("退出成功");
}
}
数据库脚本
CREATE TABLE `yonghu` (
`id` bigint NOT NULL AUTO_INCREMENT COMMENT '主键',
`addtime` timestamp NOT NULL DEFAULT CURRENT_TIMESTAMP COMMENT '创建时间',
`yonghuming` varchar(200) NOT NULL COMMENT '用户名',
`mima` varchar(200) NOT NULL COMMENT '密码',
`xingming` varchar(200) DEFAULT NULL COMMENT '姓名',
`xingbie` varchar(200) DEFAULT NULL COMMENT '性别',
`touxiang` varchar(200) DEFAULT NULL COMMENT '头像',
`shouji` varchar(200) DEFAULT NULL COMMENT '手机',
`shenfenzheng` varchar(200) DEFAULT NULL COMMENT '身份证',
PRIMARY KEY (`id`),
UNIQUE KEY `yonghuming` (`yonghuming`)
) ENGINE=InnoDB AUTO_INCREMENT=1616222324596 DEFAULT CHARSET=utf8mb3 COMMENT='用户';
CREATE TABLE `messages` (
`id` bigint NOT NULL AUTO_INCREMENT COMMENT '主键',
`addtime` timestamp NOT NULL DEFAULT CURRENT_TIMESTAMP COMMENT '创建时间',
`userid` bigint NOT NULL COMMENT '留言人id',
`username` varchar(200) DEFAULT NULL COMMENT '用户名',
`content` longtext NOT NULL COMMENT '留言内容',
`reply` longtext COMMENT '回复内容',
PRIMARY KEY (`id`)
) ENGINE=InnoDB AUTO_INCREMENT=1616222424131 DEFAULT CHARSET=utf8mb3 COMMENT='留言板';
CREATE TABLE `token` (
`id` bigint NOT NULL AUTO_INCREMENT COMMENT '主键',
`userid` bigint NOT NULL COMMENT '用户id',
`username` varchar(100) NOT NULL COMMENT '用户名',
`tablename` varchar(100) DEFAULT NULL COMMENT '表名',
`role` varchar(100) DEFAULT NULL COMMENT '角色',
`token` varchar(200) NOT NULL COMMENT '密码',
`addtime` timestamp NOT NULL DEFAULT CURRENT_TIMESTAMP COMMENT '新增时间',
`expiratedtime` timestamp NOT NULL DEFAULT CURRENT_TIMESTAMP COMMENT '过期时间',
PRIMARY KEY (`id`)
) ENGINE=InnoDB AUTO_INCREMENT=4 DEFAULT CHARSET=utf8mb3 COMMENT='token表';
找我做程序,有什么保障?
我本人就是科技工作室负责人,程序大部分由博主亲自带领主导开发完成,页面设计、接口设计多由博主个人为广大需求者定制开发,如果需要其他功能,也可以联系我进行定制开发,找我们做的程序项目,都享有代码讲解服务,会议博主亲自讲解,可以全程录音录屏!这就是我们的保障,团队开发让您更省心省力,得到更大的保障!!!
联系我们
大家点赞、收藏、关注、评论 啦 查看👇🏻文章下方名片联系我即可~👇🏻 精彩专栏推荐订阅:在下方专栏 Python精品毕设案例《500套》 PHP精品毕设案例《500套》 Java精品实战案例《2600套》 微信小程序项目精品案例《500套》 基于大数据、数据分析大屏、爬虫精品毕设案例
网硕互联帮助中心







评论前必须登录!
注册