
4.2 减速器与传动机构
减速器与传动机构是人形机器人关节动力传递的核心环节,核心作用是将电机的“高速低扭矩”转化为关节所需的“低速大扭矩”,同时平衡定位精度、结构刚性、体积重量与成本,其选型直接决定关节的负载能力、运动精度与使用寿命。
4.2.1 谐波减速器
谐波减速器是人形机器人轻中载关节的核心传动部件,凭借“高精度、小体积、低噪音”的特性,成为腕部、肘部、肩部等紧凑关节的优先选型,其核心逻辑是通过“柔性部件的可控形变”实现无间隙传动,是当前量产人形机器人的主流减速器方案之一。
图4-4是人形机器人关节专用谐波减速器的内部结构拆解图,清晰展示了其核心部件的布局与组成,直观体现了谐波减速器“柔性形变传动”的核心工作原理,具体说明如下所示。

图4-4 人形机器人关节专用谐波减速器的内部结构拆解图
谐波减速器的工作逻辑是:电机带动波发生器旋转,柔性轴承配合柔性轮产生弹性形变,使柔性轮与刚轮交替啮合传动,最终通过输出轴输出低速大扭矩的动力。这种紧凑的结构适配了人形机器人关节的空间限制,同时兼顾了高精度与低噪音,是轻中载关节(如腕部、肘部)的核心传动部件之一。
1. 结构原理:柔性形变的精密传动
谐波减速器的核心是“三组件+柔性啮合”结构,各部件的功能与细节如下:
2. 关键性能参数(以主流型号为例)
以行业标杆品牌Harmonic Drive的CSF系列(人形机器人常用)为例,核心参数如表4-7所示。
表4-7 CSF的核心参数
|
型号 |
传动比 |
额定扭矩(N・m) |
传动间隙 |
重量(kg) |
适配关节 |
|
CSF-20-50-2UH |
50:1 |
2.5 |
≤0.02° |
0.18 |
腕部(负载≤2kg) |
|
CSF-32-80-2UH |
80:1 |
8 |
≤0.03° |
0.42 |
肘部(负载≤5kg) |
|
CSF-40-100-2UH |
100:1 |
15 |
≤0.04° |
0.75 |
肩部(负载≤10kg) |
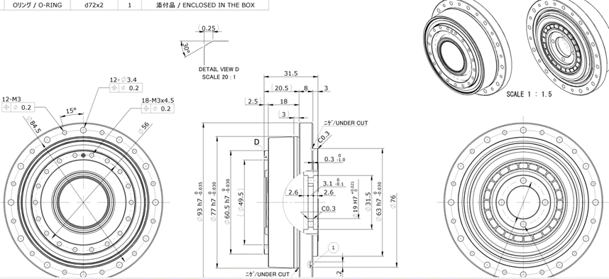
例如图4-5是CSF-20-50-2UH系列(具体型号为CSF-20-50-2UH-ULW)谐波减速器的设计图之一,在图纸中包含了该谐波减速器的尺寸标注(如外径、安装孔位、中空轴尺寸)、部件清单(如O型圈)、润滑说明(谐波专用润滑脂)等工程信息,是用于生产、装配或适配设计的官方确认图纸。

图4-5 CSF-20-50-2UH系列谐波减速器的设计图
3. 人形机器人工程适配场景
谐波减速器的核心适配逻辑是“紧凑空间+高精度运动”,在人形机器人中主要用于以下关节:
4. 核心优势与局限性
谐波减速器的核心优势与局限如表4-9所示。
表4-9 波减速器的核心优势与局限
|
核心优势 |
背后逻辑 |
局限性 |
应对方案 |
|
无回程误差,定位精度≤0.05° |
柔性轮与刚轮“全齿啮合过渡”,无刚性间隙 |
抗冲击能力弱(最大冲击扭矩≤2 倍额定值) |
重载关节串联弹性元件缓冲,或限制瞬时负载 |
|
体积仅为同扭矩行星减速器的 60% |
无复杂齿轮组,依赖柔性形变传动 |
柔性轮易疲劳磨损(高负载下寿命缩短 30%) |
选用铍青铜柔性轮,高负载场景缩短维护周期 |
|
运行噪音≤55dB,运动平滑 |
多齿同时啮合(约35% 齿接触),无刚性碰撞 |
温度敏感(≥80℃时精度下降 5%) |
关节壳体增加散热鳍片,避免长时间高负载运行 |
5. 选型与维护关键要点
(1)选型三原则
(2)日常维护要点
总之,谐波减速器是人形机器人轻中载高精度关节的“黄金选择”:其柔性形变传动实现了无间隙、低噪音的运动特性,铍青铜柔性轮保障了耐疲劳性,紧凑体积适配关节的空间限制;但抗冲击能力弱、温度敏感的局限性,需通过负载匹配、散热设计与定期维护弥补。
4.2.2 行星减速器
行星减速器是人形机器人中重载、高动态关节的核心传动部件,凭借“高刚性、强抗冲击、长寿命”的特性,成为髋部、膝部等需承载整机重量、应对跑步/跳跃等高动态动作的优先选型,其核心逻辑是“多齿轮均匀受力的刚性啮合”,平衡大扭矩输出与结构稳定性,是量产人形机器人重载关节的主流传动方案。
1. 结构原理:多齿轮分散载荷的刚性传动
行星减速器的核心是“四组件+多轮啮合”结构,各部件功能与传动逻辑如下:
2. 关键性能参数
以工业级行星减速器品牌(如纽卡特Neugart、国茂GM)的人形机器人专用型号为例,核心参数如表4-10所示。
表4-10 行星减速器的核心参数
|
型号 |
传动比 |
级数 |
额定扭矩(N・m) |
传动间隙 |
重量(kg) |
适配关节 |
|
Neugart PLE60 |
20:1 |
2 级 |
25 |
≤0.08° |
0.95 |
肘部(负载≤15kg) |
|
国茂GM-P80 |
50:1 |
2 级 |
80 |
≤0.1° |
2.2 |
髋部(负载≤25kg) |
|
Neugart PLE120 |
60:1 |
3 级 |
120 |
≤0.05°(预紧型) |
4.8 |
膝部(负载≤30kg) |
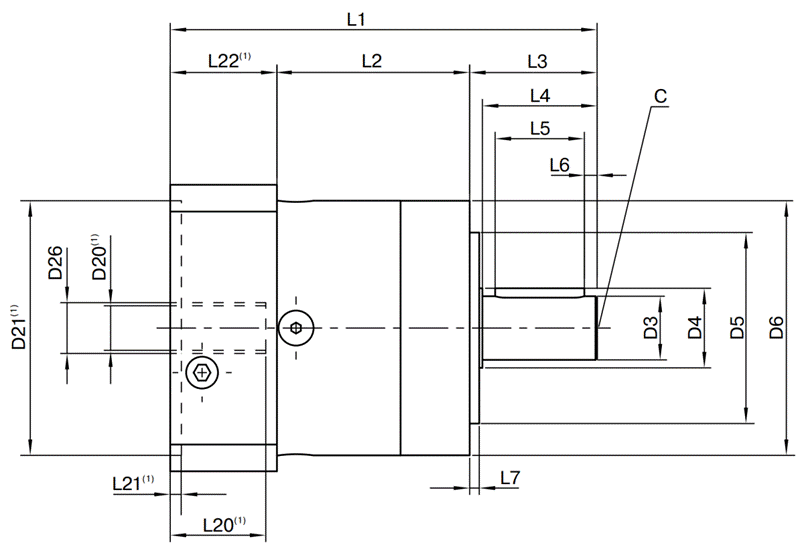
例如图4-6是纽卡特(Neugart)PLE系列行星减速器的工程设计图,包含了减速器的3个关键视图(左侧俯视图、中间主视图、右侧输出端视图),清晰标注了安装孔位、轴径、法兰规格等核心尺寸信息,方便工程师匹配电机、机器人关节等部件的安装接口。



图4-6 纽卡特(Neugart)PLE系列行星减速器的工程设计图
3. 人形机器人工程适配场景
行星减速器的核心适配逻辑是“重载+高动态”,在人形机器人中主要用于以下关节:
4. 选型与维护关键要点
(1)选型三原则
(2)日常维护要点
总而言之,行星减速器是人形机器人重载高动态关节的“刚性基石”:其多齿轮分散载荷的结构实现了大扭矩、强抗冲击的特性,渗碳淬火齿轮保障了长寿命,是髋部、膝部等承载整机重量关节的必选方案;但体积略大、间隙稍高的局限性,可通过轻量化结构、预紧设计弥补。
在量产人形机器人中,行星减速器与大功率伺服电机的组合,是实现“负重行走、高动态运动”的核心传动基础,也是高端人形机器人(如Atlas、Optimus)完成复杂动作的关键支撑。
4.2.3 蜗轮蜗杆、滚珠丝杠与其他方案
除谐波减速器、行星减速器这两种主流方案外,蜗轮蜗杆减速器、滚珠丝杠传动机构及RV减速器、齿轮齿条等方案,凭借“专项功能适配性”,在人形机器人“特殊运动需求”场景(如自锁定位、高精度直线传动、重载超高精度)中发挥不可替代的作用,核心定位是“主流方案的补充与升级”,适配特定关节或传动链路的个性化需求。
1. 蜗轮蜗杆减速器:低速重载+自锁定位的专属方案
(1)结构原理与核心特性
(2)人形机器人工程适配场景
(3)选型与维护要点
2. 滚珠丝杠传动机构:高精度直线传动的核心方案
(1)结构原理与核心特性
(2)人形机器人工程适配场景
(3)选型与维护要点
3. 其他专项方案:RV减速器与齿轮齿条
(1)RV减速器:重载超高精度的升级方案
(2)齿轮齿条传动机构:长行程直线传动的经济方案
4. 专项方案选型对比总表
蜗轮蜗杆、滚珠丝杠等方案的对比如表4-10所示。
表4-10 蜗轮蜗杆、滚珠丝杠等方案的对比
|
传动方案 |
核心优势 |
核心局限性 |
适配场景 |
选型优先级(量产机型) |
|
蜗轮蜗杆减速器 |
自锁性、低噪音、单级大传动比 |
效率低、寿命短、不适配高动态 |
腰部旋转、颈部关节(低速重载 + 自锁) |
3(专项场景) |
|
滚珠丝杠 |
高精度直线传动、高效率、高承载 |
结构较长、需密封防护 |
手指、腿部伸缩、腰部升降(直线运动) |
2(直线传动场景) |
|
RV减速器 |
超高精度、高刚性、抗冲击 |
成本高、重量大 |
高端机型髋部、肩部(重载高精度) |
1(高端旗舰机型) |
|
齿轮齿条 |
长行程直线传动、成本低、结构简单 |
精度低、噪音高 |
腿部长行程伸缩、躯干平移 |
3(长行程经济方案) |
总而言之,蜗轮蜗杆、滚珠丝杠及RV减速器、齿轮齿条等方案,是人形机器人传动系统的“专项补充”,其中蜗轮蜗杆聚焦“低速自锁”,滚珠丝杠主打“高精度直线传动”,RV减速器主攻“高端重载超高精度”,齿轮齿条适配“长行程经济直线传动”,均针对主流方案(谐波/行星减速器)的功能盲区提供解决方案。
网硕互联帮助中心








评论前必须登录!
注册