1. 三极管的基础认识
三极管全称半导体双极型晶体管(BJT),是由两个背靠背的 PN 结、三层掺杂半导体构成的三端有源器件,核心特性是用小电流控制大电流,具备电流放大、开关控制、信号调制三大核心功能,是电源设计中最基础、最核心的半导体器件之一。
和 MOS 管(单极型器件,电压控制型)不同,三极管是电流控制型器件,依靠电子和空穴两种载流子共同导电,因此得名双极型晶体管。在电源领域,三极管广泛应用于线性稳压调整管、开关电源驱动电路、过流 / 过压保护电路、恒流源、信号采样放大等场景,即使在 MOS 管普及的当下,三极管在低成本、小信号、线性稳压领域仍具备不可替代的优势。

三极管的三个核心电极定义:
- 发射极 E:负责发射(注入)多数载流子,是电流的主要输入端 / 输出端
- 基极 B:控制极,通过微小的基极电流调控集电极电流的大小
- 集电极 C:负责收集发射极注入的多数载流子,是功率的主要承载端
2. 不同类型三极管的核心工作原理
三极管的工作状态由两个 PN 结的偏置状态决定,分为截止区、放大区、饱和区三个核心工作区,电路设计中 99% 的场景仅用到放大区(线性应用)和截止 / 饱和区(开关应用)。
2.1 NPN 型三极管的工作原理(电路设计主流)

2.1.1 截止区
- 偏置条件:发射结反偏或零偏(Vbe<0.5V,硅管死区电压),集电结反偏
- 工作特性:基极电流 Ib≈0,集电极电流 Ic≈0,仅存在纳安 / 微安级的漏电流 Iceo,三极管 C-E 之间相当于断开的开关
- 电源应用:开关电路的关断状态、保护电路的截止状态、静态无输出的待机状态
2.1.2 放大区(线性区)
- 偏置条件:发射结正偏(Vbe≈0.7V,硅管),集电结反偏(Vc>Vb,一般 Vce≥1V)
- 工作特性:Ic 仅由 Ib 决定,与 Vce 几乎无关,具备完美的恒流特性,且 Ic 与 Ib 呈线性关系Ic=β×Ib,β 在放大区内基本恒定
- 电源应用:线性稳压器的调整管、电流采样放大电路、误差放大器输出级、恒流源电路,是线性电源的核心工作区
2.1.3 饱和区
- 偏置条件:发射结正偏,集电结也正偏(Vc<Vb)
- 工作特性:Ib 继续增大,Ic 不再线性增长,达到饱和最大值,C-E 之间的压降降至极低的饱和压降 Vce (sat)(硅管小功率管≤0.3V,大功率管≤1V),三极管 C-E 之间相当于闭合的开关
- 饱和条件:工程上必须满足Ib ≥ Ic(sat)/β_min,其中 Ic (sat) 是饱和状态下的最大集电极电流,为保证全温度范围可靠饱和,一般取 2~3 倍裕量
- 电源应用:开关驱动电路、继电器 / 电机控制、PWM 开关电路、辅助电源的开关控制
2.2 PNP 型三极管的工作原理
PNP 管的工作逻辑与 NPN 管完全互补,仅电源极性、电流方向相反:
- 电流方向:发射极 E 为电流输入端,集电极 C 为电流输出端,基极电流 Ib 从 B 极流出
- 放大区偏置条件:发射结正偏(Veb≈0.7V,Ve>Vb),集电结反偏(Vb>Vc)
- 核心电流关系:仍满足Ie=Ib+Ic、Ic=β×Ib,放大逻辑与 NPN 管一致
- 截止区:发射结反偏(Veb<0.5V),集电结反偏,Ib≈0,Ic≈0
- 饱和区:发射结正偏,集电结正偏(Vc>Vb),Vce (sat) 为负压,C-E 之间低阻导通
2.3 特殊三极管的工作原理
2.3.1 达林顿管
- 内部结构:两个 NPN/PNP 三极管级联,前级的发射极接后级的基极,集电极并联
- 核心特性:总电流放大倍数β=β1×β2,可达数千甚至上万,仅需微安级的基极电流即可驱动安培级的集电极电流
- 优缺点:驱动能力极强,无需大电流驱动电路;但饱和压降大(≥1.4V,两个发射结压降之和),开关速度慢,温漂更大
- 电源应用:大电流线性调整管、大功率继电器 / 电机驱动、高灵敏度恒流源
2.3.2 带阻三极管
- 内部结构:基极串联限流电阻,部分型号在基极 – 发射极之间并联下拉电阻
- 核心特性:无需外围电阻,可直接被单片机 IO 口驱动,简化电路设计,避免误导通
- 电源应用:辅助电源的开关控制、数字信号驱动的隔离电路、指示灯驱动
3. 三极管核心电气特性深度解析
3.1 输入特性
输入特性是指 Vce 固定时,基极电流 Ib 与发射结电压 Vbe 的关系曲线,与二极管正向伏安特性完全一致:

- 存在死区电压:硅管约 0.5V,低于死区电压时 Ib≈0,管子截止
- 导通后,Ib 随 Vbe 呈指数增长,正常导通时 Vbe 稳定在 0.6~0.7V
- Vce 增大,输入特性轻微右移,因为集电结反偏会拉走更多载流子,需要更大的 Vbe 才能产生相同的 Ib
3.2 输出特性(最核心)
输出特性是指 Ib 固定时,集电极电流 Ic 与 Vce 的关系曲线,是三极管三个工作区的直观体现,也是电路设计的核心参考:

3.3 温度特性(电源设计重点关注)
三极管是正温度系数器件,温度对其参数的影响是线性电源热失控、高温工作异常的核心原因,电源工程师必须重点关注:

核心结论:三个因素均导致温度升高→Ic 增大→功耗增大→温度进一步升高,形成恶性循环,最终引发热失控。因此大功率线性调整管必须加足够的散热,同时增加发射极电阻做电流负反馈,稳定 Ic,防止热失控。
3.4 开关特性
三极管的开关特性是其在饱和与截止状态之间切换的动态特性,核心影响开关电源的损耗与稳定性:
- 开通延迟:驱动信号到来后,基区需要积累足够的载流子才能导通,产生延迟时间 td
- 关断延迟:饱和状态下基区存储了大量载流子,关断时需要先复合这些载流子,产生存储时间 ts,是关断延迟的核心来源
- 工程优化:高速开关电路中,禁止三极管深度饱和,Ib 仅取 1.5~2 倍临界饱和电流,可大幅缩短存储时间;也可采用贝克钳位电路,防止深度饱和,提升开关速度
4. 三极管的内部结构与载流子运动规律
很多工程师误以为 “两个二极管反向串联就是三极管”,这是完全错误的认知。三极管的核心能力来源于其特殊的内部结构设计,也是其具备电流放大能力的根本原因,工程师必须吃透底层逻辑。
4.1 核心内部结构(以 NPN 型为例)

NPN 三极管由三层半导体纵向堆叠而成,从外到内依次为:
两个 PN 结:发射区与基区之间形成发射结,集电区与基区之间形成集电结。
4.2 结构设计的核心逻辑(放大能力的根源)
4.3 放大状态下的载流子运动(NPN 管为例)

三极管的电流放大本质是载流子的定向运动,分为三个核心阶段,也是理解工作原理的核心:
最终形成核心电流关系:Ie = Ib + Ic,且Ic = β×Ib,β 为电流放大倍数,一般在几十到几百之间,实现了小基极电流对大集电极电流的控制。
5. 三极管的详细分类
结合电源设计的工程需求,三极管按以下核心维度分类,不同分类对应不同的应用场景:
5.1 按导电类型划分(最核心分类)

| NPN 型 | 两层 N 型半导体夹一层 P 型半导体 | 发射结正偏:Vb>Ve;集电结反偏:Vc>Vb | 低侧开关、线性稳压调整管、驱动电路、误差放大(电源设计中占比 80% 以上) |
| PNP 型 | 两层 P 型半导体夹一层 N 型半导体 | 发射结正偏:Ve>Vb;集电结反偏:Vb>Vc | 高侧开关、互补推挽电路、负电源线性稳压、保护电路 |
5.2 按功率等级划分(设计核心选型维度)
- 小功率三极管:集电极最大耗散功率 Pc<1W,集电极最大电流 Ic<1A,多用于信号放大、小电流驱动、检测电路,如 2N3904、SS8050
- 中功率三极管:1W≤Pc≤10W,1A≤Ic≤10A,多用于辅助电源驱动、小功率线性稳压、继电器控制,如 TIP41C、D882
- 大功率三极管:Pc>10W,Ic>10A,多用于主功率线性调整管、大功率逆变、大电流驱动,如 2SC5200、MJ15024
5.3 按工作频率划分
- 低频三极管:特征频率 fT<30MHz,多用于工频线性稳压、低频驱动、普通信号放大,适合对开关速度无要求的场景
- 高频 / 开关三极管:特征频率 fT≥30MHz,结电容小、开关速度快,多用于开关电源驱动、高频逆变、PWM 控制电路
- 微波三极管:fT≥GHz 级别,电源设计中极少使用,多用于射频通信领域
5.4 按封装形式划分(工程落地核心维度)
- 直插封装:TO-92(小功率)、TO-220(中大功率)、TO-3P/TO-247(大功率)
- 贴片封装:SOT-23(小信号)、SOT-89(中功率)、DPAK (TO-252)、D2PAK (TO-263)(中大功率贴片)
5.5 特殊功能三极管
- 达林顿管:内部两级三极管级联,电流放大倍数 β 可达数千,极小基极电流即可驱动大电流,多用于大电流线性调整、继电器 / 电机驱动
- 带阻三极管:内部集成基极限流电阻,部分集成发射极下拉电阻,无需外围电阻即可直接被数字 IO 驱动,多用于辅助电源开关、信号隔离
- 功率开关三极管:优化了饱和压降与开关速度,专为开关场景设计,导通损耗小、开关速度快,适合 PWM 开关电路
6. 三极管全参数选型定义与工程计算方法
本章节聚焦电源设计中必须用到的参数计算,所有公式均为工程实战简化版,可直接代入设计,拒绝纯理论复杂推导。
6.1 直流核心参数与计算
6.1.1 直流电流放大倍数 HFE
- 定义:直流工作点下,集电极电流与基极电流的比值,HFE=Ic/Ib
- 核心注意:工程设计必须以 datasheet 中的最小值 HFE_min为准,典型值仅作参考,低温、大电流下 HFE 会大幅下降
- 工程计算实例:某三极管 Vce=1V,Ic=100mA时,HFE_min=120,需要驱动 1A 的集电极电流,临界饱和基极电流 Ib_sat=1A/120=8.33mA,工程取 2 倍裕量,Ib=16.66mA


6.1.2 发射结正向压降 Vbe
- 定义:发射结正偏导通时的正向压降,硅管常温 25℃下典型值 0.6~0.7V,锗管 0.2~0.3V
- 温度特性:温度系数约 **-2mV/℃**,温度每升高 1℃,Vbe 下降 2mV
- 工程计算实例:25℃时 Vbe=0.7V,电源最高工作温度 85℃,此时 Vbe=0.7V – (85-25)×2mV = 0.58V,用于基极限流电阻、恒流源的温度补偿设计

6.1.3 集电极 – 发射极饱和压降 Vce (sat)
- 定义:三极管深度饱和时,C-E 之间的残余压降,决定导通功耗
- 功耗计算:饱和导通状态下,三极管功耗Pc=Ic×Vce(sat)
- 工程实例:1A 饱和电流,Vce (sat)=0.3V,导通功耗 Pc=0.3W,用于散热设计与功耗评估.

6.1.4 反向漏电流
- Icbo:发射极开路时,集电结反向截止电流,是三极管的本征漏电流
- Iceo:基极开路时,C-E 之间的反向截止电流,Iceo=(1+β)×Icbo,是截止状态的主要漏电流
- 核心特性:温度每升高 10℃,Icbo/Iceo 约增大一倍,是三极管高温漏电流增大、热失控的核心诱因


6.2 极限参数与降额计算(选型红线,绝对不能超)
6.2.1 集电极最大允许电流 Ic (max)
- 定义:当 HFE 下降到额定值的 1/2~1/3 时的集电极电流,超过后放大倍数急剧下降,甚至烧坏管子
- 工程降额规则:设计最大工作电流Ic_work ≤ 0.7×Ic(max),保留 30% 以上裕量

6.2.2 反向击穿电压
- V (BR) CEO:基极开路时,C-E 之间的反向击穿电压,是三极管能承受的最大工作电压
- 工程降额规则:最大工作峰值电压Vce_peak ≤ 0.7×V(BR)CEO,工业电源建议保留 50% 以上裕量
- 实例:电路中 C-E 最大电压 48V,需选 V (BR) CEO≥70V 的三极管
- V (BR) EBO:集电极开路时,发射结反向击穿电压,一般仅几 V 到十几 V,基极反向电压超过后,发射结永久击穿损坏
- V (BR) CBO:发射极开路时,集电结反向击穿电压,一般高于 V (BR) CEO,是管子的极限耐压

6.2.3 集电极最大耗散功率 Pc (max)
- 定义:三极管能承受的最大功耗,超过后结温超过允许值,管子永久损坏
- 核心注意:Pc (max) 是 25℃壳温下的额定值,温度升高后会线性降额,必须参考 datasheet 的降额曲线
- 工程降额规则:最大工作功耗Pc_work ≤ 0.5×Pc(max),保留 100% 裕量
- 放大区功耗计算:Pc=Ic×Vce(线性稳压调整管的核心功耗公式)
- 饱和区功耗计算:Pc=Ic×Vce(sat)(开关电路的核心功耗公式)

6.2.4 散热设计核心计算(大功率管必备)
三极管的散热能力由热阻决定,核心公式:Tj = Pc × (Rth(jc) + Rth(cs) + Rth(sa)) ≤ Tj(max)
- Tj:三极管实际结温
- Tj (max):硅管最大允许结温,一般为 150℃
- Rth (jc):结到壳的热阻,datasheet 给定,TO-220 封装一般 2~5℃/W
- Rth (cs):壳到散热器的热阻,绝缘垫一般 0.5℃/W,无绝缘垫可忽略
- Rth (sa):散热器到环境的热阻,散热器核心参数
工程计算实例:TO-220 封装三极管,Tj (max)=150℃,Rth (jc)=2℃/W,最高环境温度 50℃,工作功耗 Pc=5W,求所需散热器热阻:
6.3 交流 / 开关参数与计算
6.3.1 特征频率 fT
- 定义:三极管交流放大倍数 hfe 下降到 1 时的工作频率,决定三极管的高频工作能力
- 工程选型规则:
- 线性放大:工作频率 f_work ≤ fT/10,保证足够的放大倍数
- 开关应用:开关频率 f_switch ≤ fT/20,避免开关损耗过大
- 实例:开关电源开关频率 100kHz,需选 fT≥2MHz 的开关三极管

6.3.2 开关时间参数
- 开通时间 ton:延迟时间 td + 上升时间 tr,决定三极管的开通速度
- 关断时间 toff:存储时间 ts + 下降时间 tf,其中存储时间 ts 是核心,饱和越深,基区存储的载流子越多,ts 越长,关断速度越慢
- 工程选型规则:开关时间 ton/toff ≤ 1/10× 开关周期,否则开关损耗急剧增大

6.4 设计常用外围电路计算
6.4.1 基极限流电阻计算(最常用)
-
NPN 管公式:Rb=(Vdrive – Vbe)/Ib
- Vdrive:驱动电压(如单片机 IO 口 3.3V/5V)
- Vbe:发射结正向压降 0.7V
- Ib:设计所需基极电流
-
工程实例:3.3V IO 驱动,Ib=20mA,Rb=(3.3-0.7)/0.02=130Ω,选 120Ω 标准电阻
-
PNP 管公式:Rb=(Ve – Vdrive – Veb)/Ib
- Ve:发射极电源电压
- Veb:发射结正向压降 0.7V
6.4.2 分压式偏置电路计算(恒流源 / 放大电路必备)
分压式偏置电路是电源设计中最稳定的静态工作点电路,不受 HFE 和温度影响:
7. 工程师专用三极管选型方法论与避坑指南
7.1 选型核心优先级(绝对不能颠倒)
先满足极限参数,再满足功能参数,最后考虑成本、封装、供货,很多工程师选型先看 β,这是典型的错误,极限参数是管子的安全红线,超过必坏。
7.2 分步选型流程(电路设计专用)
步骤 1:确定工作模式与功能需求
- 线性放大应用(线性稳压、恒流源、误差放大):重点关注 HFE 线性度、Pc (max)、fT、温漂特性
- 开关应用(驱动、PWM 开关):重点关注 Vce (sat)、开关时间、fT、结电容、存储时间
- 大电流驱动:优先考虑达林顿管,降低驱动电流需求
步骤 2:确定耐压参数(第一优先级)
步骤 3:确定电流参数(第二优先级)
步骤 4:确定功耗与散热参数(第三优先级)
步骤 5:确定频率与开关参数
- 线性放大:工作频率 ≤ fT/10
- 开关应用:开关频率 ≤ fT/20,开关时间 ≤ 1/10× 开关周期
- 高速开关场景,优先选开关专用三极管,结电容小、存储时间短
步骤 6:确定封装、温度等级与供货
- 封装:根据 PCB 空间、散热需求选择直插 / 贴片封装
- 温度等级:工业产品选 – 40~85℃工业级,车规产品选 – 40~125℃车规级(现部分工业级最高温度为150℃,车规级最高温度为175℃)
- 优先选通用型号,保证供货稳定性与成本可控
7.3 工程师选型避坑指南(实战踩坑总结)
坑 1:只看典型值,不看最小值所有参数必须按 datasheet 中的最小值计算,尤其是 HFE、Vce (sat)、耐压、电流参数,典型值仅作参考,低温 / 高温下参数会大幅偏离典型值,按典型值设计必出问题。
坑 2:忽略温度降额Pc (max)、Ic (max) 均为 25℃下的额定值,温度升高后会线性下降,必须按产品最高工作温度的降额值选型,否则高温下管子过热烧坏。
坑 3:深度饱和导致开关失效开关电路中给过大的 Ib,导致三极管深度饱和,存储时间急剧变长,关断速度变慢,开关损耗大幅增大,甚至引发炸管。高速开关电路中,Ib 仅取 1.5~2 倍临界饱和电流即可。
坑 4:忽略发射结反向击穿发射结的反向击穿电压 V (BR) EBO 一般仅 5~6V,若基极出现负压,极易导致发射结永久击穿,设计中需在基极加反向保护二极管,避免负压施加到发射结。
坑 5:线性应用热失控大功率线性调整管工作在放大区,未加电流负反馈,散热不足,极易引发热失控。设计中必须增加发射极串联电阻做电流负反馈,稳定 Ic,同时加足够的散热与过温保护。
8. 常用三极管型号与电源领域典型设计应用
8.1 工程师常备三极管型号表
示例:
| 小信号通用管 | 2N3904/MMBT3904 | NPN | 40V | 200mA | 625mW/200mW | 100 | 信号放大、小电流驱动、检测电路 |
| 小信号通用管 | 2N3906/MMBT3906 | PNP | 40V | 200mA | 625mW/200mW | 100 | 互补驱动、小电流高侧开关 |
| 中功率开关管 | SS8050/MMBT8050 | NPN | 25V | 1.5A | 1W/350mW | 85 | 继电器驱动、LED 驱动、小功率开关 |
| 中功率开关管 | SS8550/MMBT8550 | PNP | 25V | 1.5A | 1W/350mW | 85 | 互补推挽、高侧小功率开关 |
| 中功率通用管 | TIP41C | NPN | 100V | 6A | 65W | 15 | 线性稳压、中功率开关、音频放大 |
| 中功率通用管 | TIP42C | PNP | 100V | 6A | 65W | 15 | 互补推挽、负电源线性稳压 |
| 大功率管 | 2SC5200 | NPN | 230V | 15A | 150W | 55 | 大功率线性稳压、逆变、功放 |
| 大功率管 | 2SA1943 | PNP | -230V | 15A | 150W | 55 | 互补推挽、大功率逆变 |
| 达林顿管 | TIP122 | NPN | 100V | 5A | 65W | 1000 | 大电流驱动、线性调整、电磁阀控制 |
| 达林顿管 | TIP127 | PNP | 100V | 5A | 65W | 1000 | 高侧大电流开关、互补驱动 |
8.2 电源领域典型设计应用(全实战电路)
应用 1:NPN 三极管低侧开关电路(最常用)

应用场景:继电器、LED、风扇、电磁阀驱动,负载一端接电源,一端接三极管,是电源设计中最基础的开关电路。电路核心设计:
- 临界饱和 Ib_sat=100mA/85≈1.18mA, β=85,取 2 倍裕量,Ib=2.4mA
- 基极限流电阻 Rb=(3.3V-0.7V)/2.4mA≈1083Ω,选 1kΩ 标准电阻
- 基极下拉电阻 Rbe 选 10kΩ,防止 IO 高阻态时误导通
- 续流二极管选 1N4007,反向并联在继电器线圈两端,吸收反向电动势
应用 2:PNP 三极管高侧开关电路

应用场景:负载需要接地的场景,如传感器、LED 灯条、接地型执行器,实现电源正端的通断控制。电路核心设计:
- 临界饱和 Ib_sat=1A/85≈11.76mA,取 2 倍裕量,Ib=24mA
- PNP 基极限流电阻 Rb=(24V-0.7V)/24mA≈970Ω,选 1kΩ
- NPN 驱动管基极限流电阻选 1kΩ,下拉电阻 10kΩ
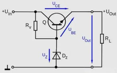
应用 3:三极管线性稳压电路(LDO 核心)

应用场景:小功率线性稳压、低纹波电源、模拟电路供电,是线性电源的核心拓扑。电路核心设计:
- 输出电压 Vout=Vz-Vbe=5.6V-0.7V=4.9V≈5V
- 所需基极电流 Ib=1A/15≈66.7mA,稳压管工作电流取 10mA
- 限流电阻 R=(12V-5.6V)/(66.7mA+10mA)≈86Ω,选 100Ω/1W 电阻
- 最大功耗 Pc=1A×(15V-5V)=10W(输入最大 15V),需选热阻≤10℃/W 的散热器
应用 4:三极管恒流源电路
应用场景:LED 驱动、电流采样偏置、传感器供电、基准电流源,是电源设计中常用的恒流拓扑。电路核心设计:
- 基极分压电阻 Rb1=10kΩ,Rb2=3.3kΩ,Vb=12V×3.3/(10+3.3)≈3V
- 发射极电压 Ve=3V-0.7V=2.3V,恒流电阻 Re=2.3V/100mA=23Ω,选 22Ω/1W 电阻
- 三极管 Vce=12V-3V (LED 压降)-2.3V=6.7V>1V,工作在放大区,恒流稳定
9. 总结
三极管作为最基础的半导体器件,是工程师的基本功核心。虽然当下 MOS 管、IGBT 在大功率开关领域应用广泛,但三极管在小信号控制、线性稳压、低成本驱动、高精度放大等场景,仍具备不可替代的优势。本文从底层原理到工程实战,系统拆解了三极管的全知识点,所有内容均来自电路设计的实战经验。想要彻底吃透三极管,核心是理解其载流子运动规律、三个工作区的偏置条件与特性,同时牢牢把握 “极限参数优先、降额设计为本” 的选型原则,避免踩入新手常见的设计陷阱。
本文为原创电路工程干货,如有错误欢迎在评论区指正,如果本文对你有帮助,欢迎点赞、收藏、关注,后续会持续分享更多电源硬件设计的实战内容。
网硕互联帮助中心



评论前必须登录!
注册