文章目录
- 摘要
- 一、系统功能
- 二、总体设计
- 三、效果图
- 源码获取
摘要
风速、风向的测量在气象预报、环境监测、风力发电、航空航天等领域中有着重要意义。随着传感器技术、微处理器技术和网络通信技术的发展,相比传统的人工观测,数字化、智能化的气象仪器在观测精度、速度和稳定性等方面都有较大优势,因此针对数字化的气象仪器进行设计具有较大意义,尤其是便携式小型化的仪器,虽然通过天气预报可以知道当前的风速风向信息,但是这些都是大范围的,无法感知某一局部区域的风速风向,因此本文围绕风速风向仪进行设计。 本次基于单片机的风速风向仪设计与实现,整个系统包括单片机最小系统STC89C52,RM-FS-N01风速传感器,RM-FX-N01风向传感器,压力传感器采集的数据变换并传送至单片机进行处理,再由液晶显示屏显示测量的风速值。对于风向系统利用编码器在0~360°范围内进行测量收集信号,在多圈旋转的情况下能够实现单圈自动归零,通过单片机进行数据的转化处理,测量风向也通过液晶显示屏显示。软件部分的设计采用模块化编程方式,方便程序的维护和改进。
一、系统功能
本次“基于单片机的风速风向仪设计与实现”的设计,在设计的过程中将全文分成了以下几个章节:首先是针对“基于单片机的风速风向仪设计与实现”课题,进行资料的归纳和总结,分析已有的类似课题中研究状况,并借此阐述本次写作的必要性。则是定调整个“基于单片机的风速风向仪设计与实现”课题的设计方案。“基于单片机的风速风向仪设计与实现”课题的程序编写部分,针对功能实现中需要的显示程序等分别进行阐述。最后则是结合软硬件的设计,对实物模型进行调试,详细的论述整个验证过程
二、总体设计
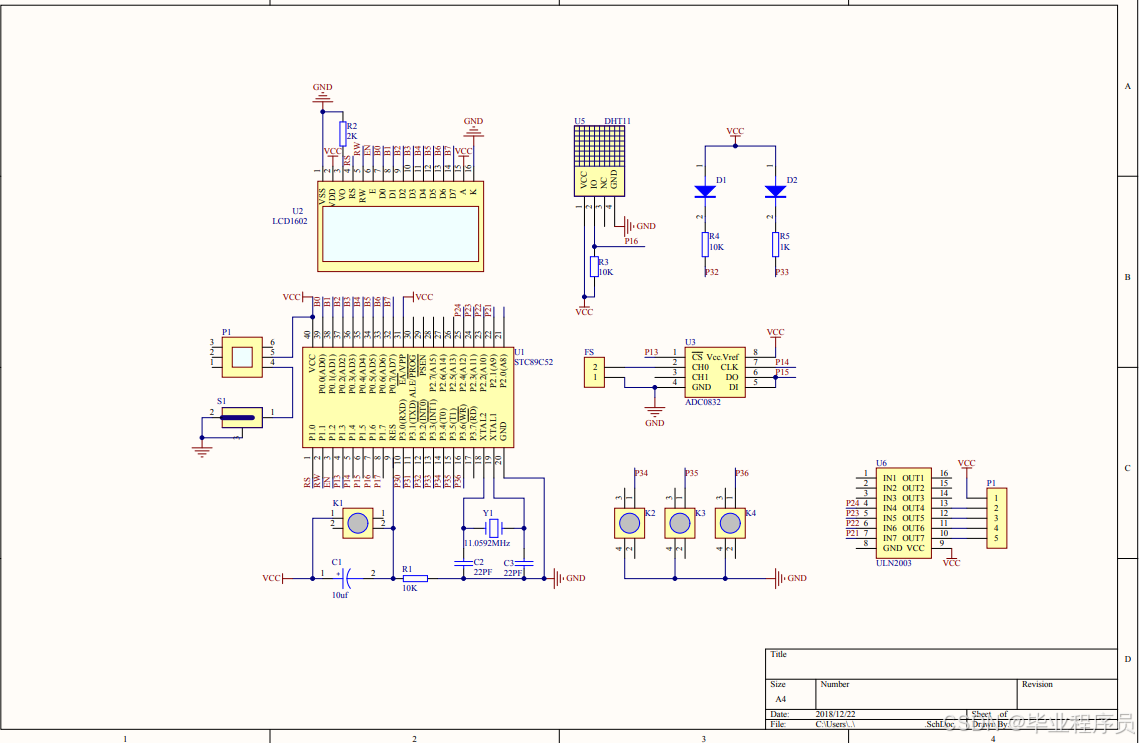
本课题为“基于单片机的风速风向仪设计与实现”,在功能上设计如下: (1)具有基本测量功能,可以检测风速,风向;(2)具有显示信息的功能,可以显示风速、风向的基本信息;(3)具有语音播报功能,可以播报当前的风速风向大小;(4)可以通过按键设定阈值,当风速风向超过阈值时,进行声音提示(5)具有无线传输功能,可以将检测的数据传输到手机APP;根据上述功能,设计了如图2.1所示的系统总体架构,整个系统包括单片机最小系统STC89C52,RM-FS-N01风速传感器,RM-FX-N01风向传感器,MY1680语音播报模块,OLED液晶,ESP8266无线通信模块,蜂鸣器,ADC0832模数转换器等等,在开发环境上,采用Altium完成系统原理图的设计,通过Keil平台和C语言完成软件程序的编写。 
主程序:
void main(void)
{
static u8 buff[20];//
unsigned char i,n;
uchar shezhi_flag=1,t;//设置变量
unsigned char Tx_Buf[7];
uint caiji_time=0;
int type;
float val=0,qs_fs=0;//风度
float qs_fx=0;//风向变量
InitUART();
OLED_Init(); //OLED初始化
sprintf((char*)buff,"fazhi:%2d",data1);
22
OLED_P8x16Str(0,0,buff);
sprintf((char*)buff,"fengsu:%2d.%1dm/s",(uint)qs_fs/10,(uint)qs_fs%10);
OLED_P8x16Str(0,4,buff);
while(1)
{
delayms(10);
/*输出值(V) 对应风向
≈0 北风
≈0.7143 东北风
≈1.4286 东风
≈2.1429 东南风
≈2.8571 南风
≈3.5714 西南风
≈4.2857 西风
≈5 西北风*/
//读取风向
qs_fx=adc0832(0)*5/25.5;
if(qs_fx>48)
{
type=1;
OLED_P8x16Str(0,2," xibei feng 315");
}
else if(qs_fx>40)
{
type=2;
OLED_P8x16Str(0,2," xi feng 270");
}
else if(qs_fx>33)
{
type=3;
OLED_P8x16Str(0,2," xinan feng 225");
}
else if(qs_fx>26)
{
type=4;
OLED_P8x16Str(0,2," nan feng 180");
}
else if(qs_fx>19)
{
type=5;
OLED_P8x16Str(0,2,"dongnan feng 135");
}
else if(qs_fx>12)
{
type=6;
OLED_P8x16Str(0,2," dong feng 90");
}
23
else if(qs_fx>5)
{
type=7;
OLED_P8x16Str(0,2," dongbei feng 45");
}
else if(qs_fx>=0)
{
type=8;
OLED_P8x16Str(0,2," bei feng 0");
}
//读取风速
val+=adc0832(1)*50/2.55;
if(++caiji_time>=15)
{
qs_fs=val/caiji_time;
qs_fs=qs_fs*0.27;
val=0;
caiji_time=0;
sprintf((char*)buff,"fengsu:%2d.%1dm/s",(uint)qs_fs/10,(uint)qs_fs%10);
OLED_P8x16Str(0,4,buff);
}
if((uint)qs_fs>data1*10)
{
buzzer=0;
}
else
{
buzzer=1;
}
if(Mode==0){
delayms(10);
if(Mode==0){
while(!Mode);
n=1;
while(n){
printf((char*)buff,"fazhi:%2d",data1);
OLED_P8x16Str(0,0,buff);
OLED_P8x16Str(80,0,"<");
if(Mode==0){
delayms(10);
if(Mode==0){
while(!Mode);
OLED_P8x16Str(0,0," ");
n=0;
while(!Mode);
}
}
24
if(Add==0){
delayms(10);
if(Add==0){
data1++;
}
}
if(Reduc==0){
delayms(10);
if(Reduc==0){
if(data1!=0){
data1—;
}
}
}
}
}
}
sprintf((char*)buff,"fazhi:%2d",data1);
OLED_P8x16Str(0,0,buff);
t++;
if(t>10){
int a;
if(buzzer==0){
a=0;
}else{
a=1;
}
t=0;
Tx_Buf[0]='S';
Tx_Buf[1]=(uint)qs_fs/100%10+0x30;
Tx_Buf[2]=(uint)qs_fs/10%10+0x30;
Tx_Buf[3]=(uint)qs_fs%10+0x30;
Tx_Buf[4]=type%10+0x30;
Tx_Buf[5]=a%10+0x30;
Tx_Buf[6]='E';
SendStr(Tx_Buf,7);
}
}
}
串口中断程序设计:
void UARTInterrupt(void) interrupt 4
{
ES=0; //关闭串行口中断
if(RI) //接收到数据
{
Rx_buf[Rxnum]=SBUF; //接收数据进数组
Rxnum++;
25
if(Rx_buf[0]=='S' && Rx_buf[4]=='E'){
Rxnum=0;
data1=(Rx_buf[1]%16)*100+(Rx_buf[2]%16)*10+(Rx_buf[3]%16);
for (ss=0; ss < strlen(Rx_buf); ss++)
Rx_buf[ss] = '\\0' ;
}
if(Rx_buf[Rxnum – 1] == 'E'){
Rxnum=0;
for (ss=0; ss < strlen(Rx_buf); ss++)
Rx_buf[ss] = '\\0' ;
}
if(Rxnum>=6){
Rxnum=0;
for (ss=0; ss < strlen(Rx_buf); ss++)
Rx_buf[ss] = '\\0' ;
}
}
RI=0;
ES=1; //启动串行口中断
}
风速风向检测程序设计:
unsigned char adc0832(unsigned char CH)
{
unsigned char dat = 0x00; //AD值
unsigned char i,test,adval;
adval = 0x00;
test = 0x00;
Clk = 0; //初始化
DATI = 1;
_nop_();
CS = 0;
_nop_();
Clk = 1;
_nop_();
if ( CH == 0x00 ) //通道选择
{
Clk = 0;
DATI = 1; //通道0的第一位
_nop_();
Clk = 1;
_nop_();
Clk = 0;
DATI = 0; //通道0的第二位
_nop_();
Clk = 1;
_nop_();
}
26
else
{
Clk = 0;
DATI = 1; //通道1的第一位
_nop_();
Clk = 1;
_nop_();
Clk = 0;
DATI = 1; //通道1的第二位
_nop_();
Clk = 1;
_nop_();
}
Clk = 0;
DATI = 1;
for( i = 0;i < 8;i++ ) //读取前8位的值
{
_nop_();
adval <<= 1;
Clk = 1;
_nop_();
Clk = 0;
if (DATO)
adval |= 0x01;
else
adval |= 0x00;
}
for (i = 0; i < 8; i++) //读取后8位的值
{
test >>= 1;
if (DATO)
test |= 0x80;
else
test |= 0x00;
_nop_();
Clk = 1;
_nop_();
Clk = 0;
}
if (adval == test) //比较前8位与后8位的值,如果不相同舍去。若一直出现显示为零,请将该行去掉
dat = test;
_nop_();
CS = 1; //释放ADC0832
DATO = 1;
Clk = 1;
return dat;
}
显示程序设计:
void OLED_P8x16Str(unsigned char x, y,unsigned char ch[])
{
unsigned char c=0,i=0,j=0;
while (ch[j]!='\\0')
{
c =ch[j]–32;
if(x>120){x=0;y++;}
OLED_Set_Pos(x,y);
for(i=0;i<8;i++)
OLED_WrDat(F8X16[c*16+i]);
OLED_Set_Pos(x,y+1);
for(i=0;i<8;i++)
OLED_WrDat(F8X16[c*16+i+8]);
x+=8;
j++;
}
}
风速程序
PCF8591 AD转化器读程序
#include "i2c.h"
#include "delay.h"
#define _Nop() _nop_() //定义空指令
#define AddWr 0x90 //写数据地址
#define AddRd 0x91 //读数据地址
bit ack; //应答标志位
sbit SDA=P2^1;
sbit SCL=P2^0;
/*————————————————
启动总线
————————————————*/
void Start_I2c()
{
SDA=1; //发送起始条件的数据信号
_Nop();
SCL=1;
15
_Nop(); //起始条件建立时间大于4.7us,延时
_Nop();
_Nop();
_Nop();
_Nop();
SDA=0; //发送起始信号
_Nop(); //起始条件锁定时间大于4ì
_Nop();
_Nop();
_Nop();
_Nop();
SCL=0; //钳住I2C总线,准备发送或接收数据
_Nop();
_Nop();
}
/*————————————————
结束总线
————————————————*/
void Stop_I2c()
{
SDA=0; //发送结束条件的数据信号
_Nop(); //发送结束条件的时钟信号
SCL=1; //结束条件建立时间大于4us
_Nop();
_Nop();
_Nop();
_Nop();
_Nop();
SDA=1; //发送I2C总线结束信号
_Nop();
_Nop();
_Nop();
_Nop();
}
/*—————————————————————-
字节数据写函数
函数原型: void SendByte(unsigned char c);
功能: 将数据c发送出去,可以是地址,也可以是数据,发完后等待应答,并对
此状态位进行操作.(不应答或非应答都使ack=0 假)
发送数据正常,ack=1; ack=0表示被控器无应答或损坏。
——————————————————————*/
void SendByte(unsigned char c)
{
unsigned char BitCnt;
for(BitCnt=0;BitCnt<8;BitCnt++) //要传送的数据长度为8位
{
if((c<<BitCnt)&0x80)SDA=1; //判断发送位
else SDA=0;
_Nop();
SCL=1; //置时钟线为高,通知被控器开始接收数据位
_Nop();
_Nop(); //保证时钟高电平周期大于4ì
_Nop();
_Nop();
_Nop();
SCL=0;
}
_Nop();
_Nop();
SDA=1; //8位发送完后释放数据线,准备接收应答位
_Nop();
_Nop();
SCL=1;
_Nop();
_Nop();
_Nop();
if(SDA==1)ack=0;
else ack=1; //判断是否接收到应答信号
SCL=0;
_Nop();
_Nop();
}
/*—————————————————————-
字节数据读函数
函数原型: unsigned char RcvByte();
功能: 用来接收从器件传来的数据,并判断总线错误(不发应答信号),
发完后请用应答函数。
——————————————————————*/
unsigned char RcvByte()
{
unsigned char retc;
unsigned char BitCnt;
retc=0;
SDA=1; //置数据线为输入方式
for(BitCnt=0;BitCnt<8;BitCnt++)
{
_Nop();
SCL=0; //置时钟线为低,准备接收数据位
_Nop();
_Nop(); //时钟低电平周期大于4.7us
_Nop();
_Nop();
_Nop();
17
SCL=1; //置时钟线为高使数据线上数据有效
_Nop();
_Nop();
retc=retc<<1;
if(SDA==1)retc=retc+1; //读数据位,接收的数据位放入retc中
_Nop();
_Nop();
}
SCL=0;
_Nop();
_Nop();
return(retc);
}
/*—————————————————————-
应答子函数
—————————————————————-*/
void Ack_I2c(void)
{
SDA=0;
_Nop();
_Nop();
_Nop();
SCL=1;
_Nop();
_Nop(); //时钟低电平周期大于4ì
_Nop();
_Nop();
_Nop();
SCL=0; //清时钟线,钳住I2C总线以便继续接收
_Nop();
_Nop();
}
/*—————————————————————-
非应答子函数
—————————————————————-*/
void NoAck_I2c(void)
{
SDA=1;
_Nop();
_Nop();
_Nop();
SCL=1;
_Nop();
_Nop(); //时钟低电平周期大于4ì
_Nop();
_Nop();
_Nop();
18
SCL=0; //清时钟线,钳住I2C总线以便继续接收
_Nop();
_Nop();
}
/*—————————————————————-
向有子地址器件读取多字节数据函数
函数原型: bit ISendStr(unsigned char sla,unsigned char suba,ucahr *s,unsigned char no);
功能: 从启动总线到发送地址,子地址,读数据,结束总线的全过程,从器件
地址sla,子地址suba,读出的内容放入s指向的存储区,读no个字节。
如果返回1表示操作成功,否则操作有误。
注意: 使用前必须已结束总线。
—————————————————————-*/
bit IRcvStr(unsigned char sla,unsigned char suba,unsigned char *s,unsigned char no)
{
unsigned char i;
Start_I2c(); //启动总线
SendByte(sla); //发送器件地址
if(ack==0)return(0);
SendByte(suba); //发送器件子地址
if(ack==0)return(0);
Start_I2c();
SendByte(sla+1);
if(ack==0)return(0);
for(i=0;i<no–1;i++)
{
*s=RcvByte(); //发送数据
Ack_I2c(); //发送就答位
s++;
}
*s=RcvByte();
NoAck_I2c(); //发送非应位
Stop_I2c(); //结束总线
return(1);
}
/*————————————————
读AD转值程序
输入参数 Chl 表示需要转换的通道,范围从0-3
返回值范围0-255
————————————————*/
unsigned char ReadADC(unsigned char Chl)
{
unsigned char Val;
Start_I2c(); //启动总线
SendByte(AddWr); //发送器件地址
if(ack==0)return(0);
SendByte(0x40|Chl); //发送器件子地址
if(ack==0)return(0);
19
Start_I2c();
SendByte(AddWr+1);
if(ack==0)return(0);
Val=RcvByte();
NoAck_I2c(); //发送非应位
Stop_I2c(); //结束总线
return(Val);
}
风向程序
格雷码转化二进制码程序部分:
Unsigned int Wind_Drct=0 ; //二进制码初始化
Unsigned int Wind_Gray=0; //格雷码初始化
if (KBA1==1)
Wind_Gray+=0x0001;
if (KBA2==1)
Wind_Gray+=0x0002;
If (KBA3==1)
Wind_Gray+=0x0004;
if (KBA4==1)
Wind_Gray+=0x0008;
Wind_Gray=Wind_Gray&0x4F;
Wind_Drct=Wind_Gray;
while (Wind_Gray>>1)
Wind_Drct^=Wind_Gray;
Wind_Drct=Wind_TB1[Wind_Drct]; //查表求出风向值
显示程序
#include<reg52.h> //包含头文件,一般情况不需要改动,头文件包含特殊功能寄存器的定义
#include<intrins.h>
sbit RS = P2^4; //定义端口
sbit RW = P2^5;
sbit EN = P2^6;
#define RS_CLR RS=0
#define RS_SET RS=1
#define RW_CLR RW=0
#define RW_SET RW=1
#define EN_CLR EN=0
#define EN_SET EN=1
#define DataPort P0
/*————————————————
uS延时函数,含有输入参数 unsigned char t,无返回值
unsigned char 是定义无符号字符变量,其值的范围是
0~255 这里使用晶振12M,精确延时请使用汇编,大致延时
长度如下 T=tx2+5 uS
————————————————*/
void DelayUs2x(unsigned char t)
{
while(—t);
20
}
/*————————————————
mS延时函数,含有输入参数 unsigned char t,无返回值
unsigned char 是定义无符号字符变量,其值的范围是
0~255 这里使用晶振12M,精确延时请使用汇编
————————————————*/
void DelayMs(unsigned char t)
{
while(t—)
{
//大致延时1mS
DelayUs2x(245);
DelayUs2x(245);
}
}
/*————————————————
判忙函数
————————————————*/
bit LCD_Check_Busy(void)
{
DataPort= 0xFF;
RS_CLR;
RW_SET;
EN_CLR;
_nop_();
EN_SET;
return (bit)(DataPort & 0x80);
}
三、效果图

源码获取
下方名片联系我即可!! 大家点赞、收藏、关注、评论啦 、查看👇🏻获取联系方式👇🏻
网硕互联帮助中心





评论前必须登录!
注册