
【RTSP从零实践】12、TCP传输H264格式RTP包(RTP_over_TCP)的RTSP服务器(附带源码)
文章浏览阅读981次,点赞35次,收藏21次。本文介绍了RTP_over_TCP的一些概念,以及TCP传输H264RTP包的RTSP服务器实现的步骤和细节,最后...
网硕互联帮助中心
文章浏览阅读981次,点赞35次,收藏21次。本文介绍了RTP_over_TCP的一些概念,以及TCP传输H264RTP包的RTSP服务器实现的步骤和细节,最后...
文章浏览阅读1.1k次,点赞30次,收藏36次。服务器防火墙策略配置与管理是保障服务器安全的重要环节。通过合理配置防火墙规则,遵循规则制定原则,定期进行策略管理...

文章浏览阅读653次,点赞24次,收藏4次。文章摘要: 本文提供了多种清理C盘空间的方法:1.推荐使用小智C盘清理大师,具备深度扫描、软件搬家等功能;2.利用E...
文章浏览阅读1.4k次。slmgr是Windows内置的软件授权管理工具,全称为Software License Manager。其核心功能包括产品密钥安装/卸...

文章浏览阅读803次,点赞33次,收藏20次。Java简介Java是一种面向对象的静态式编程语言。Java编程语言具有多线程和对象定向的特点。其特点是根据方案的...
文章浏览阅读877次,点赞5次,收藏10次。服务器或客户端的防火墙未开放许可证服务端口(如 FlexNet 默认端口 27000-27009)。客户端无法解析许...

文章浏览阅读1k次,点赞51次,收藏31次。服务器接口安全解决方案对比 本文分析了六种服务器接口安全方案的核心特点与适用场景: IP白名单:简单高效但易受IP欺...

文章浏览阅读732次,点赞16次,收藏11次。在现代软件开发中,常常需要在一种架构(如x86_64amd64)上为另一种架构(如arm64)构建应用。Docke...

文章浏览阅读936次,点赞38次,收藏40次。拯救运维焦虑!Ward+Cpolar实现服务器状态全掌控

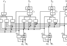
文章浏览阅读1.1k次,点赞17次,收藏20次。本实验通过Logisim软件实现了四位和八位全加器的设计与验证。主要内容包括:1)使用基本逻辑门搭建四位并行全加...